您现在的位置: 当前位置: 本站首页 > 服务指南 > 预算模块 > 正文

部门预算如何进行申报?

浏览数:次 发布时间:2022-11-02 打印本页

根据每年度学校下发的通知,在规定的时间内,各部门、各单位应及时、准确地按要求申报本部门经费预算,各部门、各单位提交预算申报材料应由经办人、部门负责人签字,加盖单位公章,经分管或联系校领导审定后方可提交。纸质文档应与财务预算管理系统申报形成的电子文档一致。

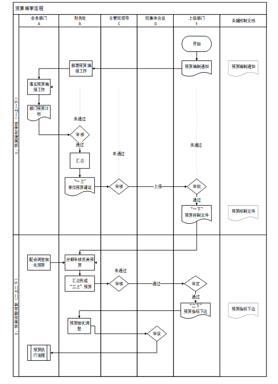
附:预算编审流程图


关闭



版权所有@中国·KY开元(集团)有限公司-Official Website | 地址:湖南省衡阳市珠晖区衡花路18号 | 邮编:421002 |

湘教QS3-200505-000096 | 湘ICP备 11007652号 开元集团网站智慧校园建设与管理中心维护